Türbänder

Türbänder für Glastüren und Glasvitrinen. Die Glastürbänder sind für die Montage Glastür an Wand oder Glas an Glastüren geeignet.

!

Türband

Türband 1961
Türband für Glastüren bis 10 mm Glas. Diese Glasbeschläge haben eine Rückholzone in die Schliess-Stellung.
Türband für Glastüren von 8 mm bis 10 mm Glas. Die Türbänder haben eine automatische Rückholzone in die Schliess-Stellung. Die Glasbeschläge sind geeignet bis 50 kg pro Paar.

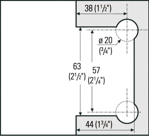
Türbänder

Türbänder 44
Türbänder für Glastüren von 8 mm bis 12 mm Glas. Die Glastürbänder sind drehbar bis 180 Grad.
Türbänder für Glastüren von 8 mm bis 12 mm Glas, drehbar bis 180 Grad. Die Glastürbänder sind geeignet bis 43 kg pro Paar.

Türband

Türband 52180
Türband für Glastüren bis 12 mm Glas, mit große Anschraubplatte, beidseitig drehbar bis 90 Grad.
Türband für Glastüren von 8 mm bis 12 mm Glas mit große Anschraubplatte, beidseitig drehbar 90 °. Die Türbänder haben eine automatische Rückholzone und sind geeignet bis 36 kg pro Paar.

Türband

Türband 11
Türband für Glastüren bis 12 mm Glas. Die Türbänder bestehen aus Edelstahl. Diese Glasbeschläge sind beidseitig drehbar.
Türband für Glastüren von 8 mm bis 12 mm Glas aus Nickel gebürstet mit beidseitiger Anschraubplatte. Die Türbänder haben eine automatische Rückholzone von +-15° in die Nullstellung. Die Glasbeschläge sind geeignet bis 36 kg pro Paar.

Türband

Türband 377
Türband für Glastüren bis 8 mm Glas. Die Türbänder bestehen aus massivem Messing, alle beweglichen Teile Zentrierstift und Federn aus Edelstahl.
Türband für Glastüren von 6 mm bis 8 mm Glas. Die Türbänder haben eine automatische Rückholzone in die Schliess-Stellung. Die Bänder bestehen aus massivem Messing, alle beweglichen Teile Zentrierstift und Federn aus Edelstahl.

Türband

Türband 37
Türband für Glastüren bis 12 mm Glas. Diese Türbänder bestehen aus Edelstahl. Die Glasbeschläge sind beidseitig drehbar.
Türband für Glastüren von 8 mm bis 12 mm Glas. Die Türbänder haben eine automatische Rückholzone in die Schliess-Stellung. Die Scharniere bestehen Edelstahl. Die Glasbeschläge sind geeignet bis 36 kg pro Paar.

Türband

Türband 347
Türband für Glastüren bis 12 mm Glas. Die Türbänder haben eine automatische Rückholzone in die Schliess-Stellung.
Türband für Glastüren von 8 mm bis 12 mm Glas. Die Türbänder haben eine automatische Rückholzone in die Schliess-Stellung. Die Scharniere bestehen aus massivem Messing, alle beweglichen Teile Zentrierstift und Federn aus Edelstahl. Die Glasbeschläge sind geeignet bis 50 kg pro Paar.

Türband

Türband 327
Türband für Glastüren bis 12 mm Glas. Zur beidseitigen Montage, je 90° drehbar.
Türband für Glastüren von 8 mm bis 12 mm Glas. Die Türbänder haben eine automatische Rückholzone in die Schliess-Stellung. Die Bänder bestehen aus massivem Messing, alle beweglichen Teile Zentrierstift und Federn aus Edelstahl. Die Glasbeschläge sind geeignet bis 36 kg pro Paar.

Türband

Türband 440
Türband für Glastüren bis 12 mm Glas. Zur einseitigen Wandmontage, Türflügel je 90° drehbar.
Türband für Glastüren von 8 mm bis 12 mm Glas, zur einseitigen Wandmontage, Türflügel je 90° drehbar. Die Türbänder haben eine automatische Rückholzone in die Schliess-Stellung. Die Türbänder bestehen aus massivem Messing, alle beweglichen Teile Zentrierstift und Federn aus Edelstahl. Diese Glasbeschläge sind geeignet bis 36 kg pro Paar.

Türband

Türband 357
Türband für Glastüren bis 12 mm Glas. Die Glasbeschläge bestehen aus massivem Messing, alle beweglichen Teile (Zentrierstift und Federn) aus Edelstahl.
Türband für Glastüren von 8 mm bis 12 mm Glas. Die Türbänder haben eine automatische Rückholzone in die Schliess-Stellung. Die Scharniere bestehen aus massivem Messing, alle beweglichen Teile Zentrierstift und Federn aus Edelstahl. Die Glasbeschläge sind geeignet bis 36 kg pro Paar.

Türbänder

Türbänder 922
Türbänder für Glas an Glastüren. Zur Montage eines Türflügels an einem feststehenden Seitenteil 90°, Türflügel je 90° drehbar.
Türbänder Glas an Glastüren. Zur Montage eines Türflügels an einem feststehenden Seitenteil 90°, Türflügel je 90° drehbar. Die Türbänder sind geeignet bis 36 kg pro Paar.

Türbänder

Türbänder 184
Türbänder Glas an Glastüren. Zur Montage eines Türflügels an einem feststehenden Seitenteil 180° fluchtend.
Türbänder für 8 mm bis 12 mm Glastüren. Zur Montage eines Türflügels an einem feststehenden Seitenteil 180° fluchtend, Türflügel je 90° drehbar. Die Türbänder sind geeignet bis 36 kg pro Paar.

Türbänder

Türbänder 924
Türbänder für Glas an Glastüren. zur Montage eines Türflügels an einem feststehenden Seitenteil 90°, je 90° drehbar.
Türbänder für 8 mm bis 12 mm Glastüren, zur Montage eines Türflügels an einem feststehenden Seitenteil 90°, je 90° drehbar. Die Türbänder sind geeignet bis 36 kg pro Paar.

Türbänder

Türbänder 182
Türbänder für Glas an Glastüren. Zur Montage eines Türflügels an einem feststehenden Seitenteil 180° fluchtend.
Türbänder für 8 mm bis 12 mm Glastüren. Die Türbänder haben eine automatische Rückholzone in die Schliess-Stellung. Zur Montage eines Türflügels an einem feststehenden Seitenteil 180° fluchtend, je 90° drehbar. Die Duschtürbänder sind geeignet bis 36 kg pro Paar.

Glastürscharniere

Türscharniere 5200052
Glastürscharniere für Glastüren bis 8 mm Glas. Die Scharniere sind rechts und links verwendbar.
Glastürscharniere für Glastüren von 6 mm bis 8 mm Glas, aus Messing verchromt, rechts und links verwendbar. Vorteilhaft bei diesen Glastürschaniere ist, dass sie einen Großteil des Gewichts auf den Boden übertragen und dementsprechend für hohe Traglasten geeignet sind.

Glastürscharniere

Glastürscharniere 84
Glastürscharniere für Glastüren bis 8 mm Glas. Die Glasbeschläge haben eine Öffnung bis 180°
Glastürscharniere für Glastüren oder Glasvitrinen von 6 mm bis 8 mm Glas. Diese Glasbeschläge eignen sich auch für Duschtüren. Die Scharniere sind Pendelbeschläge mit einer Öffnung von 180° und sind geeignet bis 36 kg pro Paar.

Glastürscharniere

Glastürscharniere 180
Glastürscharniere bis 8 mm Glastüren. Die Türscharniere sind für Glas an Glastüren geeignet.
Glastürscharniere für Glastüren oder Vitrinen von 6 mm bis 8 mm Glas. Die Türscharniere sind für Glas an Glastüren geeignet. Die Glasbeschläge sind geeignet bis 23 kg pro Paar.

Glastürscharnier

Glastürscharnier 37
Glastürscharnier bis 8 mm Glastüren. Das Scharnier ist frei schwingend. Diese Glasbeschläge benötigen eine Bohrung im Glas.
Glastürscharnier für Glastüren oder Glasvitrinen von 6 mm bis 8 mm Glas zur Wandmontage, aus massivem Messing verchromt, eine Bohrung im Glas erforderlich.

Glastürscharniere

Glastürscharnier 18
Glastürscharniere bis 8 mm Glastüren, für Glas an Glastüren. Diese Glasbeschläge sind 50 mm breit und 115 mm lang.
Glastürscharniere für Glastüren von 6 mm bis 8 mm Glas, für Glas an Glastüren. Statt einer normalen Glastür lassen sich diese Türscharniere zwei Glastürscheiben als Falttür einsetzen, so dass die Türöffnung größer ist als bei einer einzelnen Schiebetür.

Zapfenband

Zapfenband 11
Zapfenband für Glastüren bis 12 mm Glas. Diese Zapfenbändern übertragen das Gewicht auf den Boden, dementsprechend sind diese Glasbeschläge für hohe Traglasten geeignet.
Zapfenband für Glastüren oder Glasvitrinen von 8 mm bis 12 mm Glas. Diese massiven Zapfenbänder besitzen vier Federn mit maximaler Rückholkraft in die Schliess-Stellung. Vorteilhaft bei diesen Zapfenbändern ist, dass einen Großteil des Gewichts auf den Boden übertragen und dementsprechend für hohe Traglasten geeignet sind.

Zapfenband

Zapfenband 26
Zapfenband für Glastüren bis 12 mm Glas. Diese Zapfenbändern übertragen das Gewicht auf den Boden, dementsprechend sind diese Glasbeschläge für hohe Traglasten geeignet.
Zapfenbänder aus massiven hochwertigem Edelstahl, für Glastüren oder Glasvitrinen von 8 mm bis 12 mm Glas. Vorteilhaft bei diesen Zapfenbändern ist, dass einen Großteil des Gewichts auf den Boden übertragen und dementsprechend für hohe Traglasten geeignet sind.

Glastürscharniere

Glastürscharniere 184
Glastürscharniere für 6 mm bis 8 mm Glastüren. Diese Glasbeschläge sind auch für Duschtüren aus Glas geeignet.
Die Glastürscharniere sind geeignet für Glastüren von 6 mm bis 8 mm Glas. Diese Glastürscharniere erfordern eine Bohrung vom 12 mm im Glas. Die Glasbeschläge sind geeignet bis 23 kg pro Paar.

Zapfenband

Zapfenband 185
Zapfenband zum Klemmen an 5 mm bis 8 mm Glastüren oder Glasvitrinen. Diese massive Glasbeschläge sind für hohe traglasten geeignet und benötigen keine Glasbearbeitung.
Zapfenband aus massiven Messing glanzverchromt, zum Klemmen an 5 mm bis 8 mm Glastüren. Diese Zapfenbänder benötigen keine Bohrungen oder Ausschnitte im Glas. Dementsprechend sind diese Türbänder am vielseitigsten einsetzbar.

Zapfenscharniere

Zapfenscharniere 55
Zapfenscharniere für Glastüren bis 8 mm Glas. Für die Montage der Zapfenscharniere sind ein Loch und ein Ausschnitt im Glas erforderlich.
Zapfenscharniere für Glastüren oder Glasvitrinen von 6 mm bis 8 mm Glas. Vorteilhaft bei diesen Zapfenbändern ist, dass einen Großteil des Gewichts auf den Boden übertragen und dementsprechend für hohe Traglasten geeignet sind.

Zapfenscharniere

Zapfenscharniere 50
Zapfenscharniere für Glastüren bis 8 mm Glas. Vorteilhaft bei diesen Zapfenbändern ist, dass einen Großteil des Gewichts auf den Boden übertragen.
Zapfenscharniere für Glastüren oder Glasvitrinen von 6 mm bis 8 mm Glas. Die Zapfenbänder sind paarweise verpackt mit obere und untere Ausführung. Vorteilhaft bei diesen Zapfenbändern ist, dass einen Großteil des Gewichts auf den Boden übertragen und dementsprechend für hohe Traglasten geeignet sind.

Zapfenscharniere

Zapfenscharniere 5251
Zapfenscharniere für Glastüren bis 8 mm. Diese Glasbeschläge sind rechts und links verwendbar.
Zapfenscharniere für Glastüren oder Glasvitrinen von 6 mm bis 8 mm Glas. Vorteilhaft bei diesen Zapfenscharniere ist, dass sie einen Großteil des Gewichts auf den Boden übertragen und dementsprechend für hohe Traglasten geeignet sind.